







MS4锚索台车
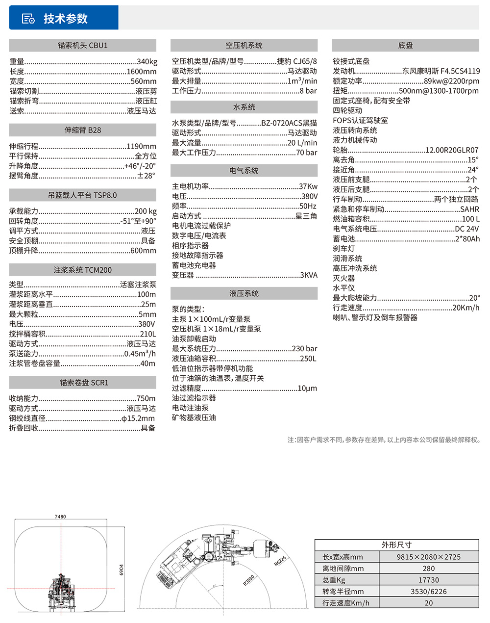
MS4是一款用于地下矿山巷道安装锚索锚固、注浆支护使用的锚索台车。MS4集成了锚、注一体的功能,配备了吊篮平台、工作臂、行车底盘。下工作平台、驾驶室、注浆系统、锚索系统、电器系统、液压系统、水系统、气系统、自动润滑系统、手动黄油、洗车卷盘等。需配合直径为φ15.2mm的钢铰线、水泥砂浆等完成锚索支护工作。台车布置设计具有良好的视野和平衡,这一点加上强有力的四轮驱动、铰接式底盘,能确保在狭窄的平巷中快速、安全和灵活地运行。
- 产品介绍
- 技术参数
- 案例展示








en
CN
AR
FR
PT
RU
ES
VI


